665基于STM32的全屋组网智能家居设计【论文+实物设计资料】

665基于STM32的全屋组网智能家居设计【论文+实物设计资料】-锤锤工作室
665基于STM32的全屋组网智能家居设计【论文+实物设计资料】
此内容为付费资源,请付费后查看
64
立即购买
您当前未登录!建议登陆后购买,可保存购买订单
付费资源

实物视频讲解+原理图视频讲解+程序视频讲解(复制链接到浏览器)

通过网盘分享的文件:5-程序视频讲解等3个文件
链接: https://pan.baidu.com/s/1MlJQfv8yiZX-0RB-unsksw?pwd=mqe8 提取码: mqe8
–来自百度网盘超级会员v7的分享

项目资料

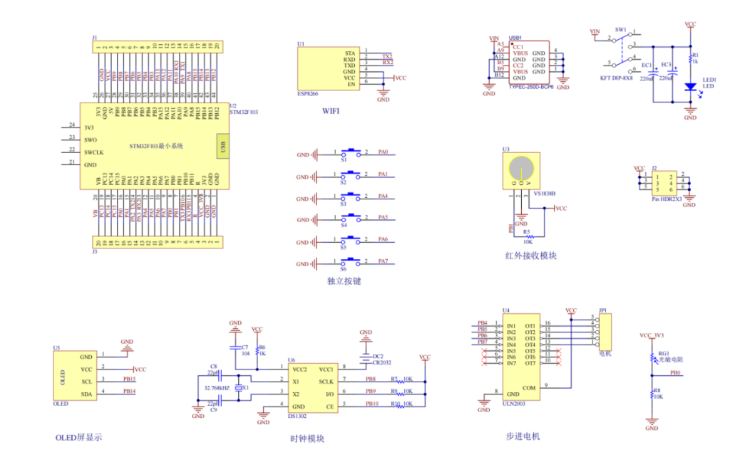
图片[1]-665基于STM32的全屋组网智能家居设计【论文+实物设计资料】-锤锤工作室
图片[2]-665基于STM32的全屋组网智能家居设计【论文+实物设计资料】-锤锤工作室
图片[3]-665基于STM32的全屋组网智能家居设计【论文+实物设计资料】-锤锤工作室
图片[4]-665基于STM32的全屋组网智能家居设计【论文+实物设计资料】-锤锤工作室
图片[5]-665基于STM32的全屋组网智能家居设计【论文+实物设计资料】-锤锤工作室
图片[6]-665基于STM32的全屋组网智能家居设计【论文+实物设计资料】-锤锤工作室
图片[7]-665基于STM32的全屋组网智能家居设计【论文+实物设计资料】-锤锤工作室
图片[8]-665基于STM32的全屋组网智能家居设计【论文+实物设计资料】-锤锤工作室
图片[9]-665基于STM32的全屋组网智能家居设计【论文+实物设计资料】-锤锤工作室
图片[10]-665基于STM32的全屋组网智能家居设计【论文+实物设计资料】-锤锤工作室
图片[11]-665基于STM32的全屋组网智能家居设计【论文+实物设计资料】-锤锤工作室
图片[12]-665基于STM32的全屋组网智能家居设计【论文+实物设计资料】-锤锤工作室
------本页内容已结束,喜欢请分享------

感谢您的来访,获取更多精品内容请收藏本站。

© 版权声明
THE END
喜欢就支持一下吧
点赞14 分享
评论 抢沙发
头像
欢迎您留下宝贵的见解!
提交
头像

昵称

取消
昵称表情代码图片

    暂无评论内容