814基于物联网的电力设备远程监控系统设计【论文+实物设计资料+仿真设计资料】

814基于物联网的电力设备远程监控系统设计【论文+实物设计资料+仿真设计资料】-锤锤工作室
814基于物联网的电力设备远程监控系统设计【论文+实物设计资料+仿真设计资料】
此内容为付费资源,请付费后查看
70
立即购买
您当前未登录!建议登陆后购买,可保存购买订单
付费资源

实物视频讲解+原理图视频讲解+程序视频讲解(复制链接到浏览器)

通过网盘分享的文件:视频
链接: https://pan.baidu.com/s/1E4beoyFv9UhHlnP5qgBA8Q?pwd=2ck8 提取码: 2ck8
–来自百度网盘超级会员v7的分享

项目资料(目录、内容、程序截图等)

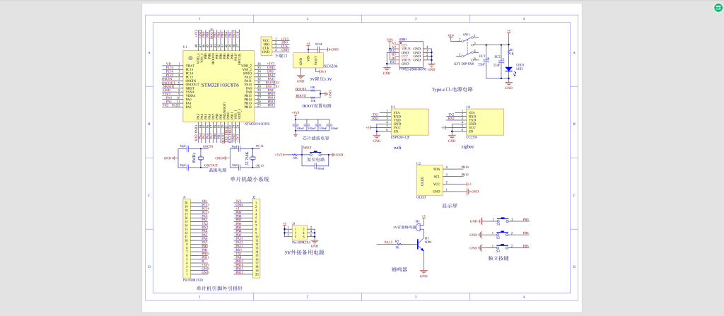
图片[1]-814基于物联网的电力设备远程监控系统设计【论文+实物设计资料+仿真设计资料】-锤锤工作室
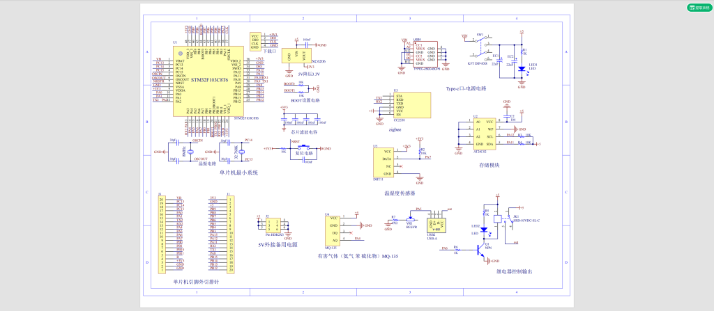
图片[2]-814基于物联网的电力设备远程监控系统设计【论文+实物设计资料+仿真设计资料】-锤锤工作室
图片[3]-814基于物联网的电力设备远程监控系统设计【论文+实物设计资料+仿真设计资料】-锤锤工作室
图片[4]-814基于物联网的电力设备远程监控系统设计【论文+实物设计资料+仿真设计资料】-锤锤工作室
图片[5]-814基于物联网的电力设备远程监控系统设计【论文+实物设计资料+仿真设计资料】-锤锤工作室
图片[6]-814基于物联网的电力设备远程监控系统设计【论文+实物设计资料+仿真设计资料】-锤锤工作室
图片[7]-814基于物联网的电力设备远程监控系统设计【论文+实物设计资料+仿真设计资料】-锤锤工作室
图片[8]-814基于物联网的电力设备远程监控系统设计【论文+实物设计资料+仿真设计资料】-锤锤工作室
图片[9]-814基于物联网的电力设备远程监控系统设计【论文+实物设计资料+仿真设计资料】-锤锤工作室
图片[10]-814基于物联网的电力设备远程监控系统设计【论文+实物设计资料+仿真设计资料】-锤锤工作室
图片[11]-814基于物联网的电力设备远程监控系统设计【论文+实物设计资料+仿真设计资料】-锤锤工作室
图片[12]-814基于物联网的电力设备远程监控系统设计【论文+实物设计资料+仿真设计资料】-锤锤工作室
图片[13]-814基于物联网的电力设备远程监控系统设计【论文+实物设计资料+仿真设计资料】-锤锤工作室
图片[14]-814基于物联网的电力设备远程监控系统设计【论文+实物设计资料+仿真设计资料】-锤锤工作室
图片[15]-814基于物联网的电力设备远程监控系统设计【论文+实物设计资料+仿真设计资料】-锤锤工作室
图片[16]-814基于物联网的电力设备远程监控系统设计【论文+实物设计资料+仿真设计资料】-锤锤工作室
图片[17]-814基于物联网的电力设备远程监控系统设计【论文+实物设计资料+仿真设计资料】-锤锤工作室
图片[18]-814基于物联网的电力设备远程监控系统设计【论文+实物设计资料+仿真设计资料】-锤锤工作室
图片[19]-814基于物联网的电力设备远程监控系统设计【论文+实物设计资料+仿真设计资料】-锤锤工作室
------本页内容已结束,喜欢请分享------

感谢您的来访,获取更多精品内容请收藏本站。

© 版权声明
THE END
喜欢就支持一下吧
点赞14 分享
评论 抢沙发
头像
欢迎您留下宝贵的见解!
提交
头像

昵称

取消
昵称表情代码图片

    暂无评论内容